Por Isabela Issa
dez. 01, 2016
Eficiência Energética
São dispositivos eletrônicos capazes de regular a frequência da energia elétrica de corrente alternada e com isso a velocidade de rotação e o torque dos motores elétricos, conforme a demanda de um determinado sistema auxiliando na gestão de energia. São chamados também de inversores de frequência ou simplesmente de inversores.
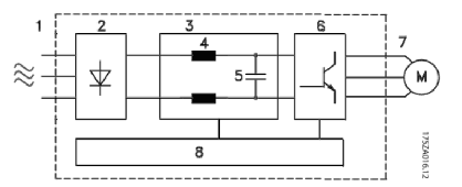
O VFD pode ser separado em 5 componentes: um retificador de rede, que converte corrente alternada em corrente contínua; reatores que filtram a tensão do circuito, aumentam o fator de potência e podem reduzir as harmônicas; um banco de capacitores; um circuito de controle; e por fim, um inversor, que converte uma corrente contínua em alternada para a entrada do motor.

Diagrama de Blocos de um Variador de Frequência. Fonte: Danfoss.
O nome variador de frequência vem dos termos em inglês “Variable Frequency Drive (VFD)” ou “Variable Speed Drive (VSD)”, já os conversores e termos de frequência são as nomenclaturas usualmente usadas por esses equipamentos aqui no Brasil. Os diferentes nomes não representam diferenças técnicas nos produtos.
Em construções, os dispositivos são normalmente utilizados em motores de Bombas de Água Gelada Secundárias (BAGs), fancoils, torres de térmica e outros tipos de ventiladores e motores. Já na indústria, são amplamente utilizados em vários tipos de bombas, compressores, turbinas hidráulicas e motores de processamento de transporte de produtos. A faixa de aplicação é tão ampla que pode ser controlada por exemplo, bombas submersas de remoção de petróleo.
Dependendo do caso, é possível equipar um motor para operar em carga variável com ou sem usar VFDs. Caixas de velocidade mecânicas (câmbios), hidráulicas, mudança de diâmetro de impulsor de bombas/ventiladores, entre outras são opções que também podem ser usadas para melhorar a eficiência energética em indústrias e edifícios. Em cada caso devem ser analisados os prós, os contras, o investimento e, principalmente, o potencial de redução de custos através da economia de energia.
O variador de frequência com inversão deve ser associado a motores assíncronos. Ou seja, motores elétricos de corrente alternada (CA) que utilizam a corrente provocada em seu rotor.
Sim, em muitos casos, quando não é necessário que o motor trabalhe sempre em sua capacidade máxima. Com esse dispositivo é possível ajustar a velocidade do motor de acordo com a necessidade do sistema. Isso, claro, se traduz em economia de energia.
Em aplicações de bombeamento de líquidos e ventilação de ar ou outros gases, uma redução de, por exemplo, 30% na rotação do motor pode representar uma redução na potência de 66% no eixo do motor. Essa relação é dada pelas “leis de camada”, conceituadas na mecânica dos fluidos e testadas exaustivamente por fabricantes de equipamentos hidráulicos.

A operação dos variadores, juntamente com a instrumentação adequada, permite obter a melhor velocidade para as condições exigidas pelo sistema a cada instante. Isso se traduz diretamente em economia de energia sempre que a velocidade pode ser menor que a máxima.
Um erro muito comum visto em nossos auditórios energéticos é o uso inadequado da automação desse sistema. Por desconhecimento, muitos operadores acabam “travando” os variadores na frequência fixa de 60Hz, ou na condição de projeto do motor, o que é contrário à lógica do VFD. Isso é uma prática inaceitável e demonstra a falta de gestão de energia e acaba fazendo com que o inversor não economize energia nenhuma.
Já vimos também casos de variadores operando em frequências fixas menores do que 35Hz. Esse procedimento é especialmente grave já que pode danificar ou reduzir a vida útil do motor, além de diminuir muito a eficiência dos sistemas de bombas, ventiladores e compressores. É necessário verificar a faixa ideal de operação de cada motor de acordo com o manual do fabricante. Se um motor está sempre operando muito abaixo de sua capacidade, ele pode ter sido superdimensionado.
De nada adiantará comprar um VFD se a detecção deste não estiver funcionando corretamente.
A combinação entre variadores e seleção adequada de equipamentos, projeto de proteção de sistemas sistemas, utilização de motores de alta eficiência, entre outras boas práticas de engenharia, operação e manutenção, sim é que garanta a melhoria em eficiência energética das instalações.
Um exemplo prático: em um de nossos clientes do setor comercial, apenas destravando os variadores de frequência existentes nas Bombas de Água Gelada (BAGs), estimamos uma economia de 47.910 kWh/ano. Esse valor seria equivalente a R$ 27.472 anuais, um exemplo de medida de custo zero com economia imediata.

Com a colaboração de André De Dominicise Hamilton Ortiz